产品详情
CONTACT US

微惯性航姿参考系统 3DM-S10X

概述

        微型航姿参考系统(MAHRS)3DM-S10A/B是一款微型的全姿态测量传感装置,它由三轴MEMS陀螺、三轴MEMS加速度计、三轴磁阻型磁强计等三种类型的传感器构成。三轴陀螺用于测量载体三个方向的的绝对角速率,三轴加速度计用于测量载体三个方向的加速度,在系统工作中,主要作用是感知系统的水平方向的倾斜,并用于修正陀螺在俯仰和滚动方向的漂移,三轴磁阻型磁强计测量三维地磁强度,用于提供方向角的初始对准以及修正航向角漂移。微型航姿参考系统3DM-S10A/B可提供的输出数据有:原始数据、四元数、姿态数据等。

特点
  • 实时三轴惯性输出;
  • 大于100Hz的内部更新率;
  • 尺寸小、低功耗,重量轻;
  • 采用航空接插件连接,可靠性高;
  • RS-232/RS-485A串行接口,方便连接。

工作原理

        微型航姿参考系统(MAHRS)3DM-S10A/B采用陀螺来测量载体的绝对角速率,然后载体的姿态角(航向角、俯仰角和滚动角)就可以通过陀螺输出数据的特定的解算方法来获得。加速度计用于确定3DM-S10A/B初始的姿态,并修正并确定陀螺在水平方向(俯仰角和滚动角)的漂移。三轴磁阻型磁强计用于提供方位角的初始对准以及修正陀螺的航向角漂移。微型航姿参考系统(MAHRS)3DM-S10A/B内部的嵌入式处理器中设计有传感器融合算法,重力测量值(通过加速度计)和磁北向测量值(通过磁力计)有机融合并对漂移进行补偿,避免了因为角速率数据的积分运算带来的误差的无限累积。而微型航姿参考系统(MAHRS)3DM-S10A/B比无陀螺的电子罗盘具有很大的优势,在动态情况下它能够精确解算航姿,而一般的电子罗盘只能在静态条件下运用,在动态情况下无法得到精确的航姿信息。微型航姿参考系统(MAHRS)3DM-S10A/B可以可靠提供全姿态信息和原始数据,数据更新率可达到100Hz以上。

硬件框图

软件框图

技术参数
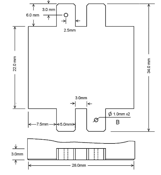
机械尺寸
本站使用百度智能门户搭建 管理登录
沪ICP备18024532号